
인코넬 625 분말
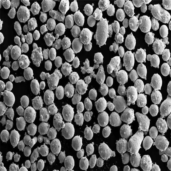
인코넬 625 분말은 니켈-크롬-몰리브덴 합금 분말로 뛰어난 강도, 내식성 및 최대 1000°C의 고온 성능으로 잘 알려져 있습니다. 이러한 특성의 조합으로 인해 인코넬 625는 항공우주 부품에서 화학 처리 장비에 이르기까지 까다로운 응용 분야에 다용도로 사용되는 초합금입니다. 이 가이드는 다양한 유형의 인코넬을 다룹니다.

인코넬 625 분말은 니켈-크롬-몰리브덴 합금 분말로 뛰어난 강도, 내식성 및 최대 1000°C의 고온 성능으로 잘 알려져 있습니다. 이러한 특성의 조합으로 인해 인코넬 625는 항공우주 부품에서 화학 처리 장비에 이르기까지 까다로운 응용 분야에 다용도로 사용되는 초합금입니다. 이 가이드는 다양한 유형의 인코넬을 다룹니다.


분무 금속 분말은 알루미늄, 티타늄, 니켈, 철 또는 합금과 같은 금속 재료를 분무 공정을 통해 미세한 구형 분말 형태로 환원시킨 것을 말합니다. 이 분말은 고순도, 일관된 입자 크기, 금속 사출 성형(MIM) 및 적층 제조와 같은 산업 응용 분야에 이상적인 분말 형태를 나타냅니다. 이

MIM 금속 분말은 금속 분말과 플라스틱 바인더를 사용하여 작고 복잡한 모양의 금속 부품을 대량으로 생산할 수 있는 다목적 제조 공정입니다. 이 가이드는 MIM 분말의 구성, 주요 특성, 다양한 산업에서의 응용 분야, 일반적인 등급 및 사양, 주요 글로벌 공급업체를 포함한 MIM 분말에 대한 자세한 개요를 제공합니다.

인코넬 718 분말은 주로 적층 제조 및 금속 분말 베드 용융 공정에 사용되는 니켈-크롬 기반 합금 분말입니다. 이 고강도 분말은 항공우주, 석유 및 가스, 산업용 애플리케이션에 적합한 우수한 내식성 및 내열성을 가지고 있습니다. 인코넬 718 분말 개요 인코넬 718 분말은 침전물입니다.

티타늄 합금 분말은 산업 전반의 첨단 응용 분야에 적합한 고유한 특성을 지닌 다목적 엔지니어링 소재입니다. 이 문서에서는 티타늄 합금 분말 야금, 제조 방법, 구성, 기계적 및 물리적 특성, 용도, 사양, 가격, 장단점, 자주 묻는 질문에 대한 개요를 제공합니다. 티타늄 합금 분말

인코넬 625 분말은 니켈-크롬-몰리브덴 합금 분말로 뛰어난 강도, 내식성, 최대 1000°C의 고온 성능으로 잘 알려져 있습니다. 이 조합은


원자화된 금속 분말은 알루미늄, 티타늄, 니켈, 철 또는 합금과 같은 금속 재료를 미세한 구형 분말 형태로 환원시킨 것을 말합니다.

밈 금속 분말은 금속 분말과 플라스틱 바인더를 사용하여 작고 복잡한 모양의 금속 부품을 대량으로 생산할 수 있는 다목적 제조 공정입니다. 이

인코넬 718 분말은 적층 제조 및 금속 분말 베드 용융 공정에 주로 사용되는 니켈-크롬 기반 합금 분말입니다. 이 고강도 분말은 우수한

티타늄 합금 분말은 산업 전반의 첨단 응용 분야에 적합한 고유한 특성을 지닌 다용도 엔지니어링 소재입니다. 이 문서에서는 개요를 제공합니다.
중국 칭다오에 본사를 둔 적층 제조 솔루션의 선도적 공급업체입니다.